Drehzahlsteuerung an Elektromotoren

Allgemeines:
Frequenzumrichter dienen zur Drehzahlregelung von Drehstrommotoren. Hierbei wird Frequenz und die Motorspannung geregelt. Mit einem Frequenzumrichter und einem Drehstrommotor erhalten Sie einen optimalen, drehzahlvariablen Antrieb. Außerdem arbeiten Frequenzumrichter auch über 50 Hz hinaus, so dass eine Motordrehzahl weit über der Bezugsdrehzahl des Motors möglich ist. Allerdings wird im Bereich über 50 Hz keine Spannung mehr nachgeregelt, weil diese bei 50 Hz das Maximum erreicht.
Für kleinere Motoren der Spannung 230/400 V sind preiswerte Frequenzumrichter mit einer einphasigen Eingangsspannung von 230 V erhältlich. Diese Umrichter stellen dem Motor eine dreiphasige Spannung bis 230 V zur Verfügung. Bei Verwendung eines solchen Umrichters sind also nur Motoren mit der Spannungsangabe 230/400 V verwendbar, die dann in Dreieck zu schalten sind. Frequenzumrichter mit einer einphasigen Eingangsspannung von 230 V und einer dreiphasigen Ausgangsspannung von bis zu 230 V sind für Motoren bis 2,2 kW erhältlich. Darüber hinaus kommen Umrichter mit einer Eingangsspannung von 400 V 3~ zum Einsatz.
Steuerung:
Frequenzumrichter werden normalerweise mittels des Bediengerätes (bei von uns vertriebenen Umrichtern ist das Bediengerät immer integriert), mittels eines externen Potentiometers, externer Spannung oder Strom gesteuert.
Parameter:
Frequenzumrichter arbeiten (bis auf ältere Typen) mit Parametern. Diese gilt es anwenderspezifisch einzustellen. Je nach Umrichter sind die Einstellmöglichkeiten mehr oder weniger Umfangreich. Bei einigen Umrichtern können es schon Hundert oder mehr Parameter sein, die man verstellen könnte. Über den Sinn oder Unsinn einer derart hohen Zahl an Einstellmöglichkeiten kann man streiten. Zumindest bei den allermeisten Anwendungen ist es nicht notwendig oder gar schädlich an jedem Parameter herumzumachen. Da fährt man mit Werkseinstellungen auch recht gut. Hier einige Beispiele für am Umrichter einstellbare Parameter:
- Beschleunigungszeit
- Verzögerungszeit
- Frequenzbereich
- Bremsung
- Festfrequenzen usw.
Bei unerfahrenem Anwender empfiehlt es sich bei Parametern, die irgendwie in die Drehmomentregelung eingreifen, besser nicht herumzumachen. Das kann ggf. sogar den Ausfall des Motors zu Folge haben.
Verdrahtung:
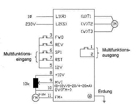
Bei der Verdrahtung halten Sie sich bitte an die Beschreibung des Herstellers. Die Belegung der Klemmen ist je nach Hersteller und Typ unterschiedlich. Als Beispiel für die Verdrahtung eines Umrichters finden Sie unten den Verdrahtungsplan eines einfachen, einphasigen Umrichters.
Als wichtigen Hinweis möchten wir an dieser Stelle noch erwähnen, dass zwischen Umrichter und Motor keinerlei Schaltglieder (Schalter, Wendeschalter) mehr geschaltet werden dürfen. Das Trennen oder gar die Phasenwendung an dieser Stelle im laufenden Umrichterbetrieb kann zu Überspannungen im Umrichter und zur Zerstörung der Halbleiter führen. In der Vergangenheit ist es leider vorgekommen, dass unerfahrene Anwender zwischen den Frequenzumrichter und Motor einen Wenderschalter eingebaut haben, und zwar bar jeder Ahnung, dass die Reversierung (Drehrichtungsumkehr) vom Frequenzumrichter besorgt wird.
Vorsichtsmaßnahmen:
Auf die ordentliche Verdrahtung gem. Herstelleranweisung ist zu achten. Bitte beachten Sie, dass die Ausgangsspannung am Umrichter nicht potentialfrei ist. Das bedeutet, dass von der Spannung die gleiche Gefahr wie von der Netzspannung ausgeht. Vorsicht ist ebenfalls geboten bei permanentem Betrieb mit kleinen Drehzahlen, häufigen Bremsen oder vielen Anläufen angeraten. Bei kleinen Drehzahlen funktioniert der Lüfterflügel, der am Motor angebaut ist naturgemäß nur unzureichend. Es wird also nur wenig Wärme vom Motor abgeleitet. Der Motor erwärmt sich schneller. Nötigenfalls ist mit einem Permanentlüfter für eine ordentliche Wärmeabfuhr zu sorgen. Auch der häufige Anlauf oder häufige Bremsung erwärmen die Wicklung merklich. Bitte überlegen Sie, ob Sie den Motor in diesem Fall nicht mit Temperaturfühlern ausrüsten lassen sollten. Diese können an nahezu jeden Umrichter angeschlossen werden und verhindern eine unzulässige Übertemperatur der Wicklung. Ohnehin dürften die Garantiebestimmungen der Hersteller einen Übertemperaturschutz beim Betrieb am Umrichter vorschreiben.
Entstörung:
Umrichter stören. Es kommt sowohl zur elektromagnetischen Abstrahlung aber auch zu negativen Rückwirkungen auf das Versorgungsnetz. Bei längeren Leitungen ist angeraten, diese geschirmt zu führen. Auch das Versorgungsnetz sollte vor “Müll” geschützt werden. Zu diesem Zweck sind manche Umrichter bereits mit Filtern Klasse “A” ausgerüstet. Reichen diese nicht aus, muss nachgerüstet werden. Genaueres erfahren Sie in der Betriebsanleitung für Ihren Umrichter.

Typisches Beispiel für eine Umrichter-Verdrahtung
Drehzahlsteuerung an Einphasenmotoren
Zur Enttäuschung vieler Anwender müssen wir an dieser Stelle feststellen, dass eine vernünftige Drehzahlsteuerung an einphasigen Asynchronmotoren (Kondensatormotoren) gar nicht möglich ist. So zumindest unsere Meinung. Das geht weder mit Frequenzumrichtern, noch mit Leistungsstellern (Phasenschnittsteuerungen) und auch nicht über die Regelung der Spannung. Was also an Elektrowerkzeugen, Staubsaugern usw. dank anderer Art von Motor machbar ist, ist bei Kondensatormotoren nicht zu verwirklichen.
Wenn Sie tatsächlich also eine Anwendung haben, bei der ein Asynchronmotor in der Drehzahl zu regeln ist aber nur 230 V zur Verfügung stehen, dann sollten Sie einen geeigneten Drehstrommotor mit der Spannungsangabe 230/400 V verwenden, diesen für 230 V (also in Dreieck) verschalten und davor einen Frequenzumrichter mit einem Einphasigen Spannungseingang 230 V vorschalten. So geht’s.
Copyright © ELOSAL KG, 2003
Alle ungenehmigten Abschriften der Texte (sofern nicht allgemein zugänglich) zum Zwecke der Steigerung der eigenen Pseudokompetenz werden rechtlich verfolgt.