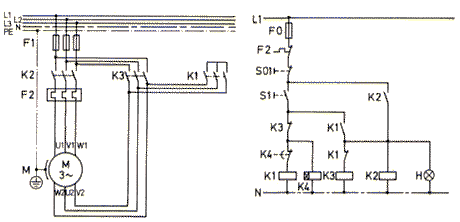
Der Stern-Dreieck-Anlauf wird verwendet um die hohen Ströme beim Anlauf von Elektromotoren abzumildern. Der Motor wird in zwei Stufen angelassen. Es sind Motoren mit der Spannungsangabe 400/690 V geeignet. Üblicherweise kommt der Stern-Dreieck-Anlauf für Motoren ab 2,2 kW in Frage. Unter 3 kW werden Elektromotoren normalerweise direkt angelassen.
Für den Stern-Dreieck-Anlauf werden spezielle Schalter oder Schützkombinationen verwendet. In der ersten Stufe wird der Motor vom Schalter in Stern geschaltet. Hierdurch ist die Wicklung für die Spannung 690 V geschaltet, es liegen am Motor aber nur 400 V an. Hierdurch wird der Anlaufstrom in Grenzen gehalten. Nach dem Anlauf wird der Motor dann in der zweiten Stufe in Dreieck geschaltet. Hiermit wird der Motor für 400 V geschaltet, die dann am Motor auch anliegen. Nun darf der Motor mit seinem vollen Moment belastet werden. Unterbleibt das Weiterschalten in Dreieck und wird der Motor belastet dann führt dieses zum Schaden am Motor.
Für den Stern-Dreieck-Anlauf werden zwischen Motor und Schalter nicht nur drei (+Schutzleiter) sondern sechs Leitungen benötigt (+Schutzleiter). Diese werden dann außerhalb des Motors vom Schaltgerät so geschaltet, dass sich sinngemäß eine Stern-, und eine Dreieckschaltung ergeben.
Durch Klicken auf „Alle akzeptieren“ gestatten Sie den Einsatz folgender Dienste auf unserer Website: ReCaptcha, Google Translate, PayPal Express Checkout und Ratenzahlung. Sie können die Einstellung jederzeit ändern (Fingerabdruck-Icon links unten). Weitere Details finden Sie unte Konfigurieren und in unserer Datenschutzerklärung.
Datenschutz-Einstellungen
Einstellungen, die Sie hier vornehmen, werden auf Ihrem Endgerät im „Local Storage“ gespeichert und sind beim nächsten Besuch unseres Onlineshops wieder aktiv. Sie können diese Einstellungen jederzeit ändern (Fingerabdruck-Icon links unten).
Informationen zur Cookie-Funktionsdauer sowie Details zu technisch notwendigen Cookies erhalten Sie in unserer Datenschutzerklärung.
Um Formulare auf dieser Seite absenden zu können, ist Ihre Zustimmung zur Datenweitergabe und Speicherung von Drittanbieter-Cookies des Anbieters Google erforderlich.
Durch Ihre Zustimmung wird reCAPTCHA, ein Dienst von Google zur Vermeidung von Formular-SPAM, eingebettet.
Dieser Dienst erlaubt uns die sichere Bereitstellung von Online-Formularen für unsere Kunden und schließt gleichzeitig SPAM-Bots aus, welche ansonsten unsere Services beeinträchtigen könnten.
Sie werden nach Ihrer Zustimmung unter Umständen dazu aufgefordert, eine Sicherheitsabfrage zu beantworten, um das Formular absenden zu können.
Stimmen Sie nicht zu, ist eine Nutzung dieses Formulars leider nicht möglich. Nehmen Sie bitte über einen alternativen Weg zu uns Kontakt auf.
Um den Übersetzungsservice von Google auf dieser Seite zu entsperren, ist Ihre Zustimmung zur Datenweitergabe und Speicherung von Drittanbieter-Cookies des Anbieters Google erforderlich. Dies erlaubt uns, unser Angebot sowie das Nutzererlebnis für Sie zu verbessern und interessanter auszugestalten. Ohne Ihre Zustimmung findet keine Datenweitergabe an Google Translate statt, jedoch können die Funktionen von Google Translate dann auch nicht auf dieser Seite verwendet werden.
Beschreibung:
Stellt die Möglichkeit zur Übersetzung des Shops zur Verfügung
Um Angebote zu erweiterten Zahlungsmöglichkeiten, insbesondere den Express-Checkout und die Zahlung in Raten, zu entsperren, benötigen wir Ihre Zustimmung zur Datenweitergabe und Speicherung von Drittanbieter-Cookies des Zahlungsanbieters PayPal. Dies erlaubt uns, Ihnen auch den Express-Checkout und die Ratenzahlung anzubieten. Ohne Ihre Zustimmung erfolgt nur die technisch notwendige Datenweitergabe an PayPal, jedoch können Sie die erweiterten Angebote zum Express-Checkout oder zur Ratenzahlung dann nicht auf dieser Seite verwenden.
Beschreibung:
Nutzung des Express Checkout und Anzeige von Angeboten zur Ratenzahlung für einzelne Artikel oder Ihren kompletten Einkauf.
Sie möchten diesen Inhalt sehen? Aktivieren Sie den gewünschten Inhalt einmalig oder legen Sie eine dauerhafte Freigabe fest. Bei Zustimmung werden Daten beim genannten Drittanbieter abgerufen. Dabei werden unter Umständen Drittanbieter-Cookies auf Ihrem Endgerät gespeichert. Sie können diese Einstellungen jederzeit ändern (Fingerabdruck-Icon links unten). Weitere Details finden Sie in unserer Datenschutzerklärung.